一體電磁流量計是導電介質的首選儀表,廣泛使用在各個工業應用領域,比如污水處理廠、印染廠、供暖設備等等。

1.一體電磁流量計組成和基本結構
1.1 原理---法拉第電磁感應定律 U=K×B×D×V

其中:
U---感應電動勢
K---儀表常數
B---線圈產生的磁場強度
D---測量管直徑
V---流體平均流速
K、B、D是不受介質溫度、壓力、粘度、密度變化影響的常數。

其中:7、8是線圈回路,1、2、3是電極信號放大回路。
傳感器的作用是將流體平均流速轉換成電勢信號,轉換器的作用是給傳感器線圈提供電流(產生磁場)、將傳感器產生的感應電動勢U經過放大等處理轉換成流量信號或就地顯示。
1.2 組成
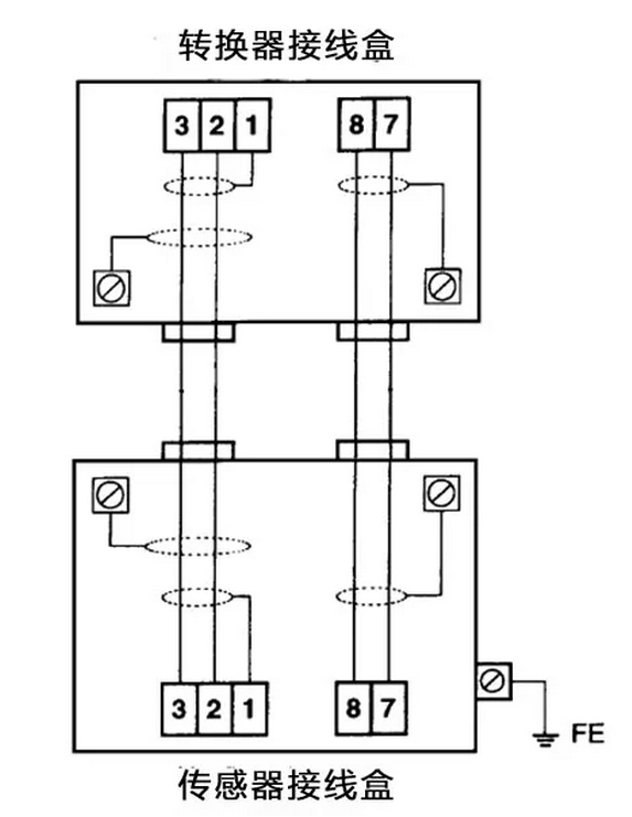
一體電磁流量計由傳感器和轉換器組成,結構上它們可以是一體型的,也可做成分體型的。分體型的接線如圖所示。
2.檢測
2.1 線圈檢測
線圈電阻與儀表規格、口徑有關,一般在15---150歐姆之間;線圈與電極、儀表外殼電氣上是絕緣的,對于一體電磁流量計絕緣的概念是大于20 MΩ。
斷開與轉換器接線后可用萬用表檢測。
R7、8=15---150Ω
R7、1≥20 MΩ
R7、2≥20 MΩ
R7、3≥20 MΩ
R8、1≥20 MΩ
R8、2≥20 MΩ
R8、3≥20 MΩ
2.2 電極檢測
2.2.1當管道內無介質時,電極間絕緣。
R1、2≥20 MΩ
R1、3≥20 MΩ
R2、3≥20 MΩ
2.2.2當管道內有介質時,電極間電阻與儀表口徑、介質電導率有關,口徑越大電阻越大、電導率越高電阻越小。
對于100mm口徑儀表、介質是自來水,電極間的電阻大約是:
R1、2=300---600 kΩ
R1、3=300---600 kΩ
R2、3=300---600 kΩ
請注意它們是相互對稱的。
3.轉換器檢測
3.1 線圈供電回路檢測
線圈供電通常是“正”、“負”交變的方波恒流源,其電流值大約是±(50---300) mA,不能用萬用表直接測量。
可以在有流量時,利用儀表的瞬時流量顯示間接檢測。
不更改任何接線時儀表有一個瞬時流量值,例如:“+100m3/h”。
將接線端7、8反接,儀表應當顯示“-100m3/h”。
將接線端7、8斷開,儀表應當顯示“0m3/h”。
在供電回路中串聯一個二極管,瞬時流量值大約減半。
3.2 放大回路檢測
將轉換器側接線端1、2、3用二根導線相互短接,儀表應當顯示“0m3/h”。
將轉換器側接線端1、2、3斷開,用手(或螺絲刀)分別觸碰接線端2、3,儀表會分別顯示一個“正的”、或“負的”跳變流量。
3.3 輸出回路檢測
根據儀表顯示的瞬時流量和量程換算出4—20mA電流值,用萬用表電流檔測量。
4.分體型導線檢測
斷開傳感器、轉換器連接線,同芯相通、異芯絕緣。
5.總結
對于一體電磁流量計而言,傳感器電氣原理上由一對線圈和3個與介質相接觸的電極組成。在線圈無外部連線時,與其它任何回路絕緣。請注意萬用表測出不絕緣,其回路肯定不絕緣;萬用表測出絕緣,其結果未必正確,必要時用兆歐表復測。傳感器接線端“1、2、3”在有介質時,具有導通性和對稱性。轉換器由“線圈供電”、“放大處理”、“就地顯示”、“輸出回路”組成,重點檢測“線圈供電”、“放大處理”。
目前,市場上一體電磁流量計產業帶主要集中在浙江、江蘇等地區,優勢點不同,浙江區域塊的主要是質量和服務較好,江蘇地區價格比較便宜,在近幾年,反而是浙江一些廠家,他們的一體式電磁流量計的市場占有率是極高的。